尊龙凯时人生就是赢



欢迎光临尊龙凯时人生就是赢(山东)新材料有限公司官方网站!
联系电话:0536-7180758


新闻中心
  • News Center
  • 技术资讯 公司新闻 行业动态
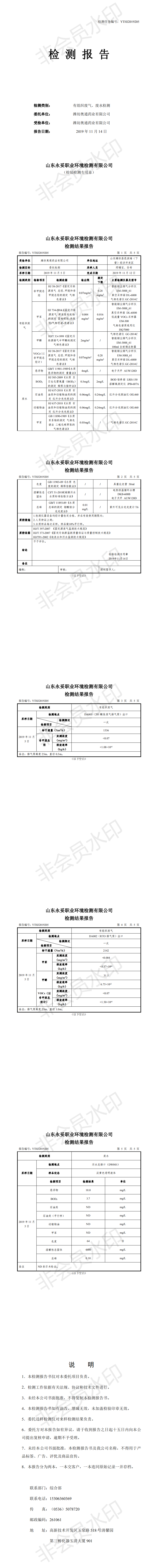
    潍坊尊龙凯时人生就是赢药业有限公司11月环保检测报告

    2019.11-潍坊尊龙凯时人生就是赢药业有限公司环保检测报告








  • 扫描二维码进入手机站



  • 尊龙凯时人生就是赢(山东)新材料有限公司
    • 公司地址:潍坊市昌邑市滨海经济开发区海澳路17号
      联系电话 :0536-7180758
      乘车路线:潍坊-昌邑(围子)汽车站-站内转乘003路滨海(下营)公交车 ,在终点站金典化工或者未来城下车 ,下车后电话联系
      Copyright © www.nb-yongfa.com All Rights Reserved 尊龙凯时人生就是赢(山东)新材料有限公司 版权所有
    • 技术支持:


      • XML地图